蘇州leyu集團光電科技有限公司提供的BPFOTF系列手動可調諧光線纜濾波器基于專有的薄膜腔濾光片技術,可提供波長為1005nm至2150nm的光纖可調諧濾光片,同時可定制其他中心波長。它可在高達100 nm的寬光譜范圍內連續可調,峰值帶寬為1 nm。波長調諧是通過手動旋轉精密千分尺進行的。 我們獨特的高可靠性和低插入損耗設計為從光纖網絡到光纖傳感詢問的OEM應用提供了最具成本效益的解決方案。
波長為1005nm至2150nm
手動版本
高性價比
蘇州leyu集團光電科技有限公司提供的BPFOTF系列手動可調諧光線纜濾波器基于專有的薄膜腔濾光片技術,可提供波長為1005nm至2150nm的光纖可調諧濾光片,同時可定制其他中心波長。它可在高達100 nm的寬光譜范圍內連續可調,峰值帶寬為1 nm。波長調諧是通過手動旋轉精密千分尺進行的。 我們獨特的高可靠性和低插入損耗設計為從光纖網絡到光纖傳感詢問的OEM應用提供了最具成本效益的解決方案。
當前的標準配置已批量生產,因此具有低成本優勢。其他波長可以定制,需要額外成本來制作濾光片。
典型產品性能:
|
參數/規格 |
Min |
Typical |
Max |
Unit |
|
|
中心波長 |
350 |
|
2400 |
nm |
|
|
可調范圍[1] |
- |
+-30 |
+-50 |
nm |
|
|
調諧分辨率 |
- |
0.1 |
- |
nm |
|
|
插入損耗[2] |
1.5 |
2 |
3.5 |
dB |
|
|
濾波帶寬 @-3dB |
- |
1 |
1.2 |
nm |
|
|
濾波帶寬 @-20dB |
- |
10 |
- |
nm |
|
|
帶外抑制 |
- |
30 |
- |
dB |
|
|
偏振相關損耗/PDL(SMF版本) |
- |
0.15 |
0.35 |
dB |
|
|
偏振模色散/PMD(SMF版本) |
- |
- |
0.5 |
ps |
|
|
消光比(PMF版本) |
18 |
23 |
- |
dB |
|
|
光回波損耗 |
40 |
- |
- |
dB |
|
|
光功率 (CW) |
標準版本 |
- |
0.5 |
|
W |
|
高功率版本 |
- |
10 |
|
W |
|
|
工作溫度范圍 |
0 |
20 |
60 |
°C |
|
|
存儲溫度范圍 |
-10 |
- |
70 |
°C |
|
*1.波長越長,調諧范圍越大。
*2.使用具有透射峰積分的寬帶光源測量。 如果激光源與濾光片輪廓不匹配,則會出現額外損耗。可以定制特殊的光纖濾波器以匹配對應應用。纖芯越小,插入損耗損耗越大。不包括連接器損耗。聯系leyu集團光電獲取多詳情。
*3.參數規格如有更改,恕不另行通知,聯系leyu集團光電確認。
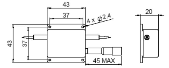
產品尺寸 (mm)
典型傳輸曲線:
|
|
|
|
插入損耗vs波長| 1550nm波段參考 |
透過率vs波長| 1550nm波段參考 |
產品選型:
|
BPFOTF- |
2 |
中心波長 |
功率版本 |
封裝版本 |
光纖 |
尾纖類型 |
光纖長度 |
接頭類型 |
|
BPFOTF=系列 |
2=手動版本 |
1=2100±60nm |
1=標準功率 |
2=標準封裝 |
1=SMF-28 |
1=裸纖 |
1=0.25m |
1=None |
|
|
|
2=2000±50nm |
2=高功率 |
0=Special |
2=HI 1060 |
2=2mm套管 |
2=0.5m |
2=FC/PC |
|
|
|
4=1960±40nm |
0=Special |
|
3=PM980 |
3=900um套管 |
3=1.0m |
3=FC/APC |
|
|
|
A=1850±50nm |
|
|
4=PM1550 |
0=Special |
0=Special |
4=SC/PC |
|
|
|
7=1620±40nm |
|
|
0=Special |
|
|
5=SC/APC |
|
|
|
5=1550±40nm |
|
|
|
|
|
0=Special |
|
|
|
9=1550±50nm |
|
|
|
|
|
|
|
|
|
8=1480±40nm |
|
|
|
|
|
|
|
|
|
3=1310±40nm |
|
|
|
|
|
|
|
|
|
C=1130±40nm |
|
|
|
|
|
|
|
|
|
6=1060±40nm |
|
|
|
|
|
|
|
|
|
B=1005±45nm |
|
|
|
|
|
|
|
|
|
0=Special |
|
|
|
|
|
|
*可定制其他波長,聯系leyu集團光電獲取更多信息。
