NS系列諧振光纖開關/調制器是一種2端口或3端口設備,具有固定頻率下的快速幅度調制功能,可在10至90 MHz之間進行選擇,并具有低光損耗。這是通過使用具有內置高Q諧振電路的專利電光配置來實現的。與其他調制器不同,我們使用高穩定性的特殊電光晶體,可以增加功率處理并減少漂移/暗化。NS光開關/調制器滿足了連續運行25年的最苛刻的交換要求,具有非機械超高可靠性。該開關本質上是雙向的,可選擇與偏振無關或保偏尾纖。
品牌:Agiltron
NS系列諧振光纖開關/調制器是一種2端口或3端口設備,具有固定頻率下的快速幅度調制功能,可在10至90 MHz之間進行選擇,并具有低光損耗。這是通過使用具有內置高Q諧振電路的專利電光配置來實現的。與其他調制器不同,我們使用高穩定性的特殊電光晶體,可以增加功率處理并減少漂移/暗化。NS光開關/調制器滿足了連續運行25年的最苛刻的交換要求,具有非機械超高可靠性。該開關本質上是雙向的,可選擇與偏振無關或保偏尾纖。
我們的諧振EO相位調制器可以由標準實驗室函數發生器驅動,在633nm處的半波驅動電壓僅為15V。
上升/下降時間與晶體的財產有內在聯系,重復率與驅動器有關。由于器件諧振,存在較差的頻率響應部分。NS設備出廠時安裝在經過調整的驅動程序上。
|
參數 |
最小值 |
典型值 |
最大值 |
單位 |
|
|
插入損耗 [1] |
1900-2200nm |
|
1.3 |
2.2 |
dB |
|
1260-1620nm |
|
1 |
2 |
||
|
960-1100nm |
|
1.5 |
2.6 |
||
|
780-960nm |
|
1.7 |
3 |
||
|
串擾 [2] |
10 |
20 |
35 |
dB |
|
|
壽命 |
1014 |
|
|
cycles |
|
|
PDL (SMF only) |
|
0.15 |
0.3 |
dB |
|
|
PMD (SMF only) |
|
0.1 |
0.3 |
ps |
|
|
ER (PMF only) |
18 |
25 |
|
dB |
|
|
IL溫度穩定性 |
|
0.25 |
1.5 |
dB |
|
|
回波損耗 |
45 |
50 |
60 |
dB |
|
|
重復頻率 |
|
20 |
90 |
MHz |
|
|
最大光功率 [4] |
標準功率版本 |
|
300 |
|
mW |
|
高功率版本 |
|
|
5 |
W |
|
|
工作溫度范圍 |
標準版 |
-5 |
|
75 |
℃ |
|
寬溫度范圍 |
-30 |
|
85 |
||
|
存儲溫度范圍 |
-40 |
|
100 |
℃ |
|
[1] 插入損耗不含連接器。波長<850nm或>1700nm僅在交貨期較長的特殊版本中提供。
[2] ±25nm,串擾在100kHz下測量,在較高的重復頻率下可能會降級。
[3] 它被定義為光學強度的10%到90%之間的上升或下降時間。
[4] 定義為1310nm/1550nm。對于較短的波長,處理功率可能會降低,請聯系我們了解更多信息。高功率版本可通過增加光纖纖芯(額外價格)獲得。
電信號信息:
信號控制:0-15V,模擬信號,SMA接口
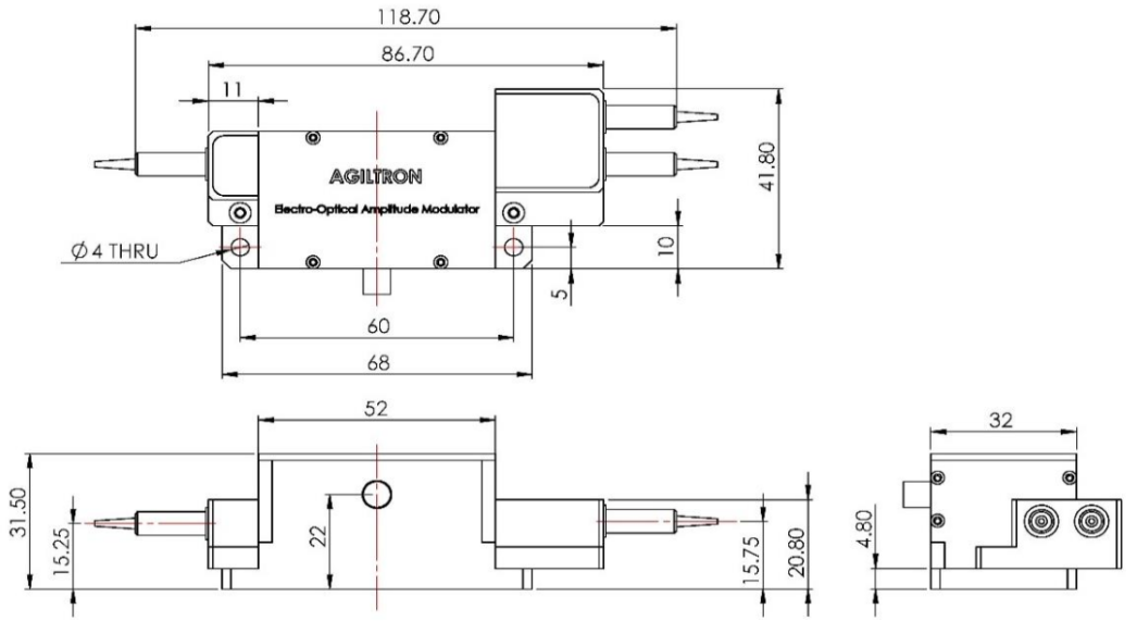
產品尺寸:
典型帶寬測試:
產品訂購信息
|
|
¨ |
¨ |
¨ |
¨ ¨ |
¨ |
¨ |
¨ |
¨ |
|
Prefix |
Type |
Wavelength |
Power Handling[1] |
Repetition Rate |
Fiber Type |
Fiber Cover |
Fiber Length |
Connector[2] |
|
NSRM- |
1x1=1 |
1060=1 |
Regular = 1 |
10MHz =10 |
SMF-28=1 |
Bare fiber=1 |
0.25m=1 |
None=1 |
|
|
1x2=2 |
2000=2 |
500mw = 2 |
20MHz = 20 |
HI1060=2 |
900um Tube=3 |
0.5m=2 |
FC/PC=2 |
|
|
2x2=3 |
1310=3 |
5W = 5 |
30MHz = 30 |
HI780=3 |
Special=0 |
1.0 m=3 |
FC/APC=3 |
|
|
|
1550=5 |
|
40MHz = 40 |
PM1550=5 |
|
Special=0 |
SC/PC=4 |
|
|
|
1625 =6 |
|
50MHz = 50 |
PM850=8 |
|
|
SC/APC=5 |
|
|
|
780=7 |
|
60MHz = 60 |
PM980=9 |
|
|
ST/PC=6 |
|
|
|
850=8 |
|
70MHz = 70 |
Special=0 |
|
|
LC/PC=7 |
|
|
|
650=E |
|
80MHz = 80 |
|
|
|
LC/APC=8 |
|
|
|
Special=0 |
|
90MHz = 90 |
|
|
|
E2000 APC=9 |
|
|
|
|
|
Special = 00 |
|
|
|
Special=0 |
[1] :波長<850nm或>1700nm僅在交貨期較長的特殊版本中提供。
[2]: 關于NPHW版本的高功率連接器,請聯系銷售人員。
備注: PM1550光纖適用于1310nm。
操作說明:
1.將控制信號連接到盒子上的SMA連接器。
2.然后設備應能正常工作。
注意:請勿打開盒子并更改設備出廠設置。
